Since the
design of the RX134141MHz receiver will only accept frequency steps
of 10 KHz, the new 137.9125 frequency cannot be exactly programmed,
so I chose the closest values above and below that frequency. The
error is only 2.5 KHz, so either channel should be able to receive
the APT signal with minimum degredation. Due to doppler shift, the
recption may be slightly better on one channel while the satellite
is approaching, and it may be better on the other channel as the
satellite moves away from your location.

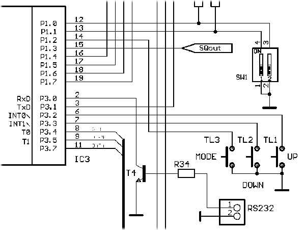
By pressing of
the push-button MODE you will get from the mode "..SCAN WXTOIMG.."
into operating mode "..FIX MAN TUNG.."

By pressing
the keys UP or DOWN you can set the frequencies 141.00 - 137.20 -
137.10 - 137.40 - 137.50 - 137.62 - 137.91 - 137.30 - 137.70 -
137.80 - 137.85 - 134.00 MHz.

By next
pressing of the push-button MODE you will get from the mode "..FIX
MAN TUNG.." into operating mode "..SCANNING..", when the receiver is
tuned progressively to the frequencies 141.00 - 137.20 - 137.10 -
137.40 - 137.50 - 137.62 - 137.91 - 137.30 - 137.70 - 137.80 -
137.85 - 134.00 MHz:

Scanning is
stopped on the current frequency, when the voltage level "L" .. 0
volt appears at the input IC3 SQ_OUT. This happens when
high-frequency signal of current frequency with amplitude 0,5uV and
modulation 2400Hz is present at the receiver’s input. The same
effect is produced by the signal SQL, depending on setting of the
potentiometer P1. Selection of scanning by modulation or squelch is
controlled by the switch JP3.

By next
pressing of the push-button MODE you will get from the mode
"..SCANNING.." into another mode "137.5000 MHz" (operating
mode "STEP10KHZ"). After pressing of the key UP or DOWN the
displayed value increases or decreases by one step equal to 10 kHz
(mode "STEP10KHZ" in the range from 134 to 141MHz).
By next
pressing of the push-button MODE you switch to another mode "..SCAN
WXTOIMG..", it means to the beginning of the MODE
cycle.